高速偏光コントロ-ラ : HSPCは、通常機種のmsに比べμsの極めて速い応答速度を有しています。高速応答のため偏光Mux/DeMuxや40Gbs PMDCなどの新しい用途に使用できます。また、セキュリティー用ファイバセンサ、分光、偏光依存イメージ、生化学分野など高速応答性を生かした各種分野での利用が可能です。
| 型番 | 単位 | HSPC |
| 動作波長範囲 | nm | 1528 ~ 1610 |
| 応答速度 | μs | < 10 |
| 挿入損失 | dB | < 1.2 |
| PMD | ps | < 0.05 |
| リターンロス | dB | < -50 |
| 駆動電圧(ドライバーによる) | VDC | 0 – 5 |
|---|---|---|
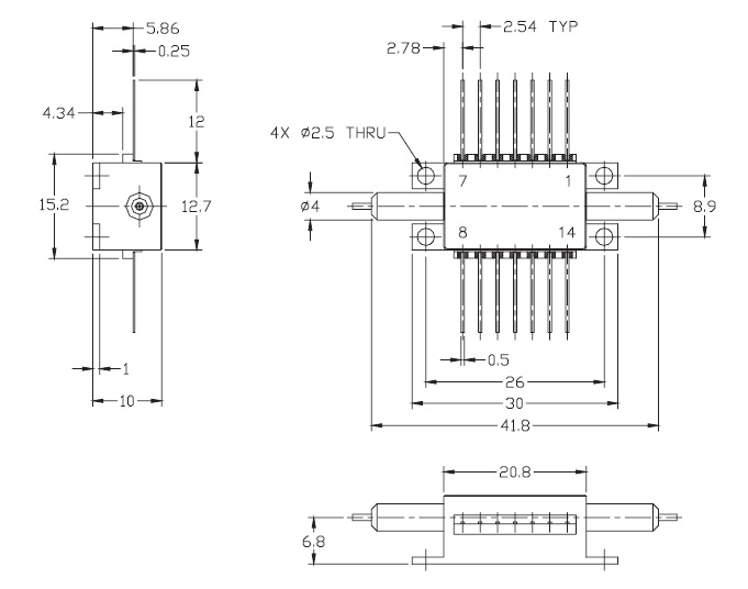
| サイズ(L x W x H ) | mm | 46 x 38 x 13.3 |
| メーカ | Lightwaves2020 |
■ サイズ詳細

■注文方法







