開発力・製造力・商社力 三つの力でお客様のご要望にお応えいたします

光チャネルモニタ:OCMは、DWDMシステムの各チャネルの光パワーと波長をリアルタイムでモニタリングできます。ITU grids 100GHz, 50GH, C-, L, C+L-バンド対応、テルコーディア規格です
■ 特徴
・ITU grids 500GHz/100GHz、Cバンド/Lバンド
/C+Lバンド対応
・隣接チャネル高アイソレーション
・優れた温度安定性
・シングルポートまたは2-4の多ポートモニタリング
・パワーと波長の高精度測定
・広いパワーモニターダイナミックレンジ
■ 用途
・DWDMネットワークのリアルタイムモニタリング
・光Add/Dropのモニター、検査
・DWDMネットワークにおけるゲイン等価のため
の光パワーあるいはOSNRモニタリング
・システムエラーのリアルタイムアラーム
| 型番 | 単位 | OCM |
| 光仕様 | ||
| 波長範囲 | nm | 1260 ~ 1610 |
| Tap比 | % | 3 |
| 挿入損失 | dB | < 0.4 |
| 波長精度 | nm | ±0.1* |
| 波長測定のためのパワー範囲 | dBm | -15 ~ +23 |
| パワー測定範囲 | dBm | -40 ~ +23 |
| 光パワー精度 | dB | ±0.1 |
| 最大入射光パワー | dBm | 23 |
| 物理的&環境的仕様 | ||
| 動作温度 | ℃ | 0 ~ 50 |
| 保管温度 | ℃ | -20 ~ 70 |
| 相対湿度(無結露) | %RH | 10 ~ 90 |
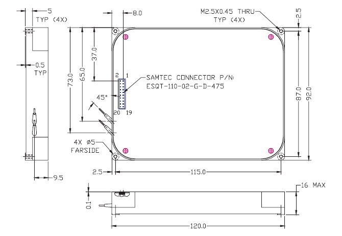
| ファイバピグテイル | SMF-28e, ベアファイバまたは900μmルーズチューブ | |
| 電源 | V | 5 |
| メーカ | Lightwaves2020 | |
*精度は1310nm, 1550nm, 23℃での測定値です


お問い合わせはこちら