可変光アッテネータ(可変光減衰器)は光ファイバ内の光信号強度を可変減衰させる部品です。本製品は、液晶を使った電圧制御の可変光アッテネータとモニター用PDを2chに集積化しており、光ネットワークに於ける光パワー調節をリアルタイムで行うことができます。使用できる波長帯はC-バンドです。
■ 仕様
| 型番 | 2-VOA-PD-M | |||
| パラメータ | 単位 | Min | Typ. | Max |
| 動作波長範囲 | nm | 1528 | – | 1562 |
| 入射パワー範囲 | dBm | -30 | – | 10 |
| 減衰範囲 | dB | 40 | – | – |
| 挿入損失(入射→出射) | dB | – | – | 1.7 |
|---|---|---|---|---|
| PDL @10dB | dB | – | – | 0.3 |
| リターンロス | dB | 45 | – | – |
| 立ち上がり時間 | ms | – | – | 5 |
| 立ち下がり時間 | ms | – | – | 60 (-5 ~ 23℃) |
| – | – | 15 (23 ~ 70℃) | ||
| 精度 @ 155nm & 23℃ | dB | – | – | 0.2 |
| 電源電圧 | V | 4.75 | 5 | 5.25 |
| 消費電力 | W | – | – | 1 |
| 動作温度 | ℃ | -5 | – | 70 |
| 保管温度 | ℃ | -40 | – | 85 |
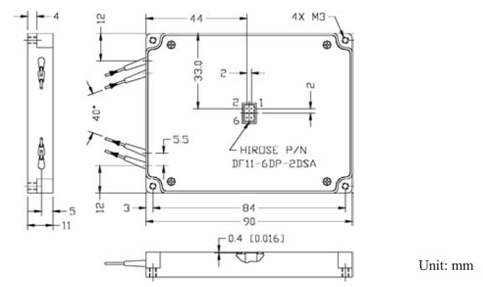
| サイズ | mm | 90 x 70 x 11 | ||
| メーカ | – | Lightwaves 2020 | ||
■ サイズ詳細








