光送受信モジュール:EPON-OLT-BOSA-1490T/1310Rは、FTTHにおけるONU用光トランシーバの基幹部品となる一心双方向光送受信サブアセンブリーです。EPON-OLT-BOSA-1490T/1310Rは1490nm送信機と1310nm受信機を備えた小型、低価格なEPON用BOSAです。
■特徴・MQW DFB LD ■用途・FTTH |
![]() |
| 型番:EPON-OLT-BOSA-1490T/1310R | 単位 | Min. | Typ. | Max. |
| 絶対最大定格 | ||||
| 保管温度 | ℃ | -40 | – | 100 |
| 動作温度 | ℃ | -40 | – | 85 |
| LDリバース電圧 | V | – | – | 2 |
| LDダイレクトフォワード電流 | mA | – | – | 120 |
| モニタPDリバース電圧 | V | – | – | 10 |
| モニタPDダイレクトフォワード電流 | mA | – | – | 2 |
| APDリバース電圧 | V | – | – | 60 |
| TIA供給電圧 | V | – | – | 5 |
| ハンダ付け温度/時間 | ℃/s | – | – | 260/10 |
| 光 & 電気特性 | ||||
| 1490nm送信機 | ||||
| 光出力 @25℃ | mW | 2.4 | – | – |
| @70℃ | 1.8 | – | – | |
| 閾値電流 @25℃ | mA | – | 10 | 18 |
| @70℃ | – | 30 | 40 | |
| 立上がり/立下がり時間 | ns | – | 0.1 | 0.2 |
| 中心波長 @25℃ | nm | 1487 | 1490 | 1493 |
| @-40 ~ 85℃ | 1484 | – | 1499 | |
| スペクトル幅 | nm | – | 0.1 | 0.75 |
| RIN | dB/Hz | – | – | -118 |
| サイドモード抑圧比 | dB | 30 | – | – |
| トラッキングエラー | dB | -1 | – | 1 |
| 動作電圧 | V | – | 1.2 | 1.6 |
| モニタ電流 | mA | 0.1 | – | 2 |
| モニタ暗電流 | μA | – | – | 1 |
| 1310nm受信機 | ||||
| 受信波長 | nm | 1260 | 1310 | – |
| 飽和パワー | dBm | – | – | -33 |
| 感度 | dBm | – | – | – |
| リターンロス | dB | 50 | – | – |
| 帯域幅 | MHz | 1000 | – | – |
| 出力インピーダンス | Ω | 48 | 50 | 52 |
| ブレークダウン電圧 | V | 30 | 36 | 60 |
| TIA供給電圧 | V | 2.97 | 3.3 | 3.63 |
| 供給電流 | mA | – | 35 | 80 |
| メーカ | O-send Opto-Electronics | |||
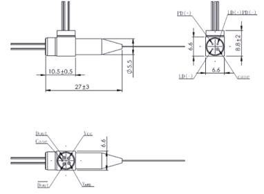
■ピン配置
●ピグテイルタイプ

●レセプタクルタイプ







